Описание
Отделитель масла Bitzer OA 9111 рассчитан на работу в промышленных холодильных системах, оснащённых этиленовыми и поршневыми компрессорами, а также функционирующих на аммиаке, фреоне-13, фреоне-22. Устройство отделяет от хладагента масло и не позволяет допустить его попадание в теплообменный аппарат. Благодаря этому сохраняется необходимая производительность холодильного оборудования и в значительной мере замедляется процесс его засорения.
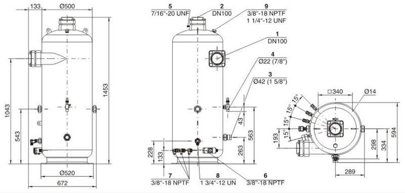
Технические характеристики
| Производитель | Bitzer |
| Тип | Отделители масла |
| Вид | Вертикальный |
| Диаметр | 594 мм |
| Высота | 1453 мм |
| Объем | 3,3 л |
| Максимальное давление | 28 бар |
| Объём масла | 90 л |
| Максимальное кол-во компрессоров | 6 шт |
| Подогреватель масла в картере | 3 x 140 W |
| Максимальная рабочая температура | + 120°C |
| Присоединение для предохранительного клапана давления | 1 1/4″ – 12 UNF |
| Подвод хладагента | 100 DN |
| Выход хладагента | 100 DN |
| Выход масла | 1 5/8″ – 42 мм |
Габаритные размеры и чертеж маслоотделителя OA9111 Bitzer




