Описание
Герметичный холодильный компрессор Secop SC21F. Задача холодильного компрессора в холодильном агрегате заключается в отсасывании паров хладагента из испарителя холодильного агрегата, сжатия, и подачи их под давлением в конденсатор холодильной парокомпрессионной машины. Холодопроизводительность составляет 0,462 кВт (-35/-5, R134a).
Преимущества SC21F: высокая эффективность. Компрессоры Secop (Danfoss) отличаются низким уровнем энергопотребления при максимальной производительности. Длительный ресурс работы. Оборудование надежно, конструктивно каждый компрессор Secop (Danfoss) представляет собой современное техническое решение, основой которого является инновационные разработки в области холодильной техники.
Технические характеристики
| Производитель | Secop (Danfoss) |
| Марка компрессора | Secop |
| Модель | SC |
| Тип компрессора | Герметичный поршневой |
| Назначение компрессора | Низкотемпературный |
| Холодильный коэффициент (EN 12900) | 1,1 |
| Регулирование производительности | Нет |
| Электропитание компрессора | 1 фаза/220 В/50 Гц |
| Диапазон холодопроизводительности (EN 12900) | 0-1 кВт |
| Холодопроизводительность (EN 12900) | 0,462 кВт |
| Холодопроизводительность (ASHRAE) | 0,458 кВт |
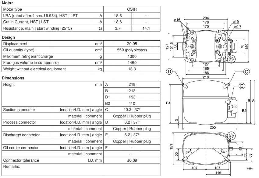
| Высота | 219 мм |
| Длина | 255 мм |
| Ширина | 151 мм |
| Масса нетто | 13,2 кг |
| Количество масла | 0,55 л |
| Уровень шума | 60 dBA |
| Объём цилиндра | 20,95 см3 |
| Хладагент | R134a |
Габаритный чертёж спирального компрессора SC21F





