Описание
Герметичный холодильный компрессор Secop SC10MLX. Задача холодильного компрессора в холодильном агрегате заключается в отсасывании паров хладагента из испарителя холодильного агрегата, сжатия, и подачи их под давлением в конденсатор холодильной парокомпрессионной машины. Холодопроизводительность составляет 0,881 кВт (EN 12900, -10/+40, R404a).
Компрессоры Secop (Danfoss) отличаются низким уровнем энергопотребления при максимальной производительности. Длительный ресурс работы. Оборудование надежно, конструктивно каждый компрессор Secop (Danfoss) представляет собой современное техническое решение, основой которого является инновационные разработки в области холодильной техники.
В состав комплекта входит: компрессор, пусковое реле, пусковой конденсатор, крышка, разветвитель проводов, монтажный комплект.
Технические характеристики
| Производитель | Secop (Danfoss) |
| Марка компрессора | Secop |
| Модель | SC |
| Тип компрессора | Герметичный поршневой |
| Назначение компрессора | Среднетемпературный |
| Регулирование производительности | Нет |
| Электропитание компрессора | 1 фаза/220 В/50 Гц |
| Диапазон холодопроизводительности (EN 12900) | 0-1 кВт |
| Холодопроизводительность (EN 12900) | 0,881 кВт |
| Холодопроизводительность (ASHRAE) | 1,564 кВт |
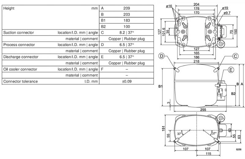
| Высота | 209 мм |
| Длина | 204 мм |
| Ширина | 150 мм |
| Масса нетто | 13,1 кг |
| Количество масла | 0,6 л |
| Уровень шума | 60 dBA |
| Объём цилиндра | 12,87 см3 |
| Хладагент | R404a/R507a |
Габаритный чертёж компрессора SC10MLX





