Описание
Герметичный холодильный компрессор Secop NL9FT. Задача холодильного компрессора в холодильном агрегате заключается в отсасывании паров хладагента из испарителя холодильного агрегата, сжатия, и подачи их под давлением в конденсатор холодильной парокомпрессионной машины. Холодопроизводительность составляет 0,284 кВт (EN 12900, -25/+55, R134a).
Преимущества NL9FT: высокая эффективность. Компрессоры Secop (Danfoss) отличаются низким уровнем энергопотребления при максимальной производительности. Длительный ресурс работы. Оборудование надежно, конструктивно каждый компрессор Secop (Danfoss) представляет собой современное техническое решение, основой которого является инновационные разработки в области холодильной техники.
В состав комплекта входит: компрессор, пусковое реле, пусковой конденсатор, крышка, разветвитель проводов, монтажный комплект.
Технические характеристики
| Производитель | Secop (Danfoss) |
| Марка компрессора | Secop |
| Модель | NL |
| Тип компрессора | Герметичный поршневой |
| Назначение компрессора | Низкотемпературный |
| Холодильный коэффициент (EN 12900) | 1,04 |
| Регулирование производительности | Нет |
| Электропитание компрессора | 1 фаза/220 В/50 Гц |
| Диапазон холодопроизводительности (EN 12900) | 0-1 кВт |
| Холодопроизводительность (EN 12900) | 0,284 кВт |
| Холодопроизводительность (ASHRAE) | 0,22 кВт |
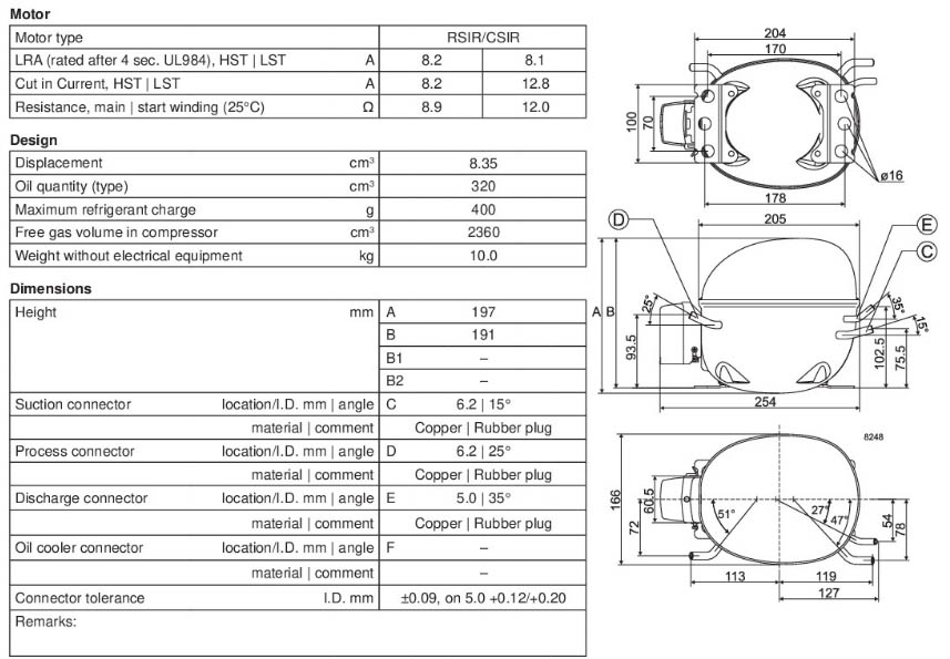
| Высота | 197 мм |
| Длина | 254 мм |
| Ширина | 166 мм |
| Масса нетто | 10,2 кг |
| Количество масла | 0,32 л |
| Уровень шума | 60 dBA |
| Объём цилиндра | 8,35 см3 |
| Хладагент | R134a |
Габаритный чертёж компрессора NL9FT





