Описание
Герметичный холодильный компрессор Secop FR7.5CL. Задача холодильного компрессора в холодильном агрегате заключается в отсасывании паров хладагента из испарителя холодильного агрегата, сжатия, и подачи их под давлением в конденсатор холодильной парокомпрессионной машины. Холодопроизводительность составляет 0,155 кВт (EN 12900, -35/+40, R134a).
Преимущества FR7.5CL: высокая эффективность. Компрессоры Secop (Danfoss) отличаются низким уровнем энергопотребления при максимальной производительности. Длительный ресурс работы. Оборудование надежно, конструктивно каждый компрессор Secop (Danfoss) представляет собой современное техническое решение, основой которого является инновационные разработки в области холодильной техники.
В состав комплекта входит: компрессор, пусковое реле, пусковой конденсатор, крышка, разветвитель проводов, монтажный комплект.
Технические характеристики
| Производитель | Secop (Danfoss) |
| Марка компрессора | Secop |
| Модель | FR |
| Тип компрессора | Герметичный поршневой |
| Назначение компрессора | Среднетемпературный |
| Холодильный коэффициент (EN 12900) | 0,97 |
| Регулирование производительности | Нет |
| Электропитание компрессора | 1 фаза/220 В/50 Гц |
| Диапазон холодопроизводительности (EN 12900) | 0-1 кВт |
| Холодопроизводительность (EN 12900) | 0,307 кВт |
| Холодопроизводительность (ASHRAE) | 0,934 кВт |
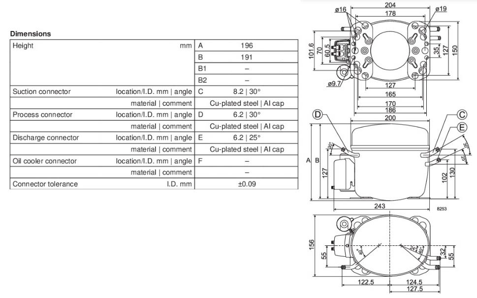
| Высота | 196 мм |
| Длина | 243 мм |
| Ширина | 156 мм |
| Масса нетто | 10,6 кг |
| Количество масла | 0,45 л |
| Уровень шума | 60 dBA |
| Объём цилиндра | 11,15 см3 |
| Хладагент | R134a |
Габаритный чертёж компрессора FR11G





