Описание
Компрессор герметичный поршневой постоянного тока Secop BD 35F имеет компактную конструкцию, прочный корпус, двигатель с оптимизированной конструкцией, широким диапазоном напряжения питания, холодильным агентом с низким потенциалом глобального потепления (GWP) и переменной скоростью вращения, низкий уровень шума.
Все компрессоры оснащены блоком электронного управления со встроенной функцией управления скоростью, функцией приема сигнала от термостата, тепловой защитой, защитой от разрушающего разряда аккумуляторной батареи, электронным термостатом и системой управления скоростью вращения вентилятора, устанавливаемой опционально. Надежны при эксплуатации в тяжелых условиях. Соответствует всем мировым стандартам качества, высоким техническим характеристикам, длительным сроком эксплуатации.
Технические характеристики
| Производитель | Secop (Danfoss) |
| Марка компрессора | Secop |
| Модель | BD |
| Тип компрессора | Герметичный поршневой |
| Назначение компрессора | Среднетемпературный |
| Регулирование производительности | Нет |
| Электропитание компрессора | 1 фаза/220 В/50 Гц |
| Диапазон холодопроизводительности (EN 12900) | 0-1 кВт |
| Холодопроизводительность (ASHRAE) | 0,546 кВт |
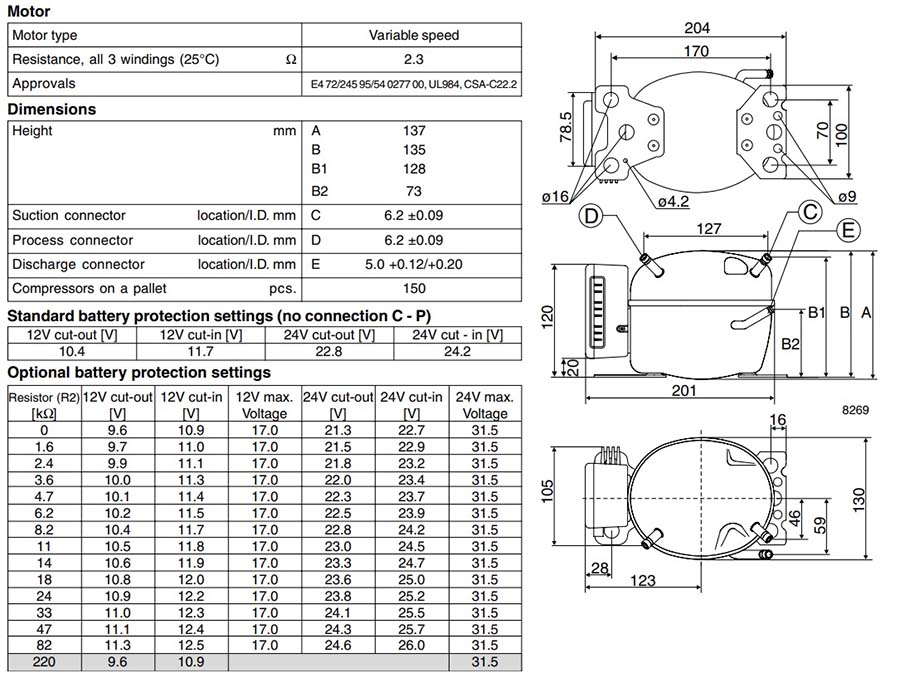
| Высота | 137 мм |
| Длина | 204 мм |
| Ширина | 130 мм |
| Масса нетто | 4,5 кг |
| Количество масла | 0,15 л |
| Уровень шума | 60 dBA |
| Патрубок на всасывании | 6,2 мм |
| Патрубок на нагнетании | 5 мм |
| Объём цилиндра | 2 см3 |
| Хладагент | R134a |
Габаритный чертёж компрессора BD 35F





